Capstone Project: Drinking Water Supply System
Environmental Engineering Program, Islamic University of Indonesia
Supervisor: Ir. Hudori, S.T., M.T., Ph.D.
Semester: 6th Semester, 2023
Project Type: Individual Final Project
Overview
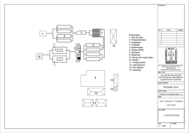
This individual capstone project was completed as part of my 6th Semester in Environmental Engineering. It focused on developing a comprehensive masterplan for a drinking water supply system, rather than limiting the scope to the design of treatment units alone. The goal was to simulate a realistic and efficient water supply system that addresses technical, environmental, and operational aspects, covering intake, treatment, distribution, and hydraulic modeling.
Scope of Work
Master Plan: Designed an integrated system layout from raw water intake to end user distribution.
Hydraulic Simulation: Modeled water flow, pressure zones, and pipe network behavior using software tools (e.g., EPANET).
Software
EPANET – for pipe network and hydraulic simulation
AutoCAD – for layout planning and drawing each unit
Excel – for design calculations and data modeling
Word - for make a report
Out of many submissions from top environmental engineering programs across Indonesia, my project was selected as the 1st Winner in the 2023 Capstone Project Competition organized by BAKERMA-TL, a national consortium of environmental engineering education providers.
Treatment Design: Selected and sized appropriate water treatment units based on raw water quality and demand projections.
Demand Forecasting: Calculated water needs using population data, service coverage scenarios, and future growth assumptions.
Sustainability Considerations: Incorporated energy use efficiency, operational flexibility, and community resilience into the design.





