Course Project: Industrial Wastewater Treatment
Environmental Engineering Program, Islamic University of Indonesia
Supervisor: Dr. Eng. Awaluddin Nurmiyanto, S.T., M.Eng.
Semester: 7th Semester, 2024
Project Type: Group Final Project
Project Background
Industrial wastewater treatment is one of the most crucial aspects of sustainable production. As industries grow, so does their responsibility to manage waste efficiently and in compliance with environmental regulations. In our course project, we focused on designing an Industrial Wastewater Treatment Plant for PT Kaas Delights (non-existed company :D), a cheddar cheese manufacturer based in Bandung, Indonesia.
Industry Background
PT Kaas Delights specializes in producing high quality cheddar cheese, processing around 700,000 liters of fresh milk per day to yield 92.3 tons of cheddar. While this production capacity highlights their strength in the dairy sector, it also generates a significant volume of wastewater. Dairy effluents, particularly from whey and cleaning processes, are rich in organic matter, suspended solids, fats, oils, and nutrients making them highly polluting if not properly treated.
Wastewater Challenges
The production of cheddar cheese involves multiple steps such as pasteurization, starter culture addition, coagulation, whey separation, salting, pressing, and aging. At each stage, wastewater is generated, contributing to:
High organic load (BOD & COD) from milk residues and whey.
Nutrients (nitrogen & phosphorus) that can cause eutrophication in water bodies.
Fats, oils, and grease (FOG) that can clog drainage and impair biological treatment.
Cleaning-in-place (CIP) effluents, often alkaline or acidic, that affect pH balance.
Without treatment, such wastewater could harm ecosystems and violate regulatory discharge standards (e.g., Indonesian Permen LH No. 5/2014 on effluent quality).


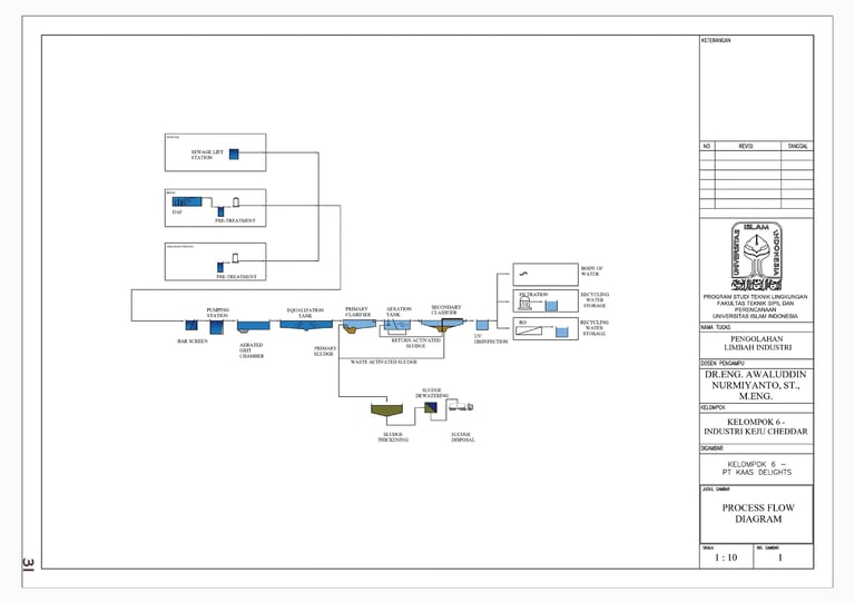
Proposed Treatment System
Our project team, working as a consulting group, designed a comprehensive IPAL system with several stages of treatment.


This course project highlighted the importance of integrating engineering solutions with environmental responsibility. Industrial wastewater treatment is not only about compliance but also about advancing sustainability and resource efficiency. Our design for PT Kaas Delights demonstrates how industries can balance productivity with environmental stewardship, creating value both for the company and the community.